Compressore ermetico EMT6144Z CSIR per applicazioni di refrigerazione industriale.
Compressore EMT6144Z CSIR per applicazioni HVAC e refrigerazione industriale.
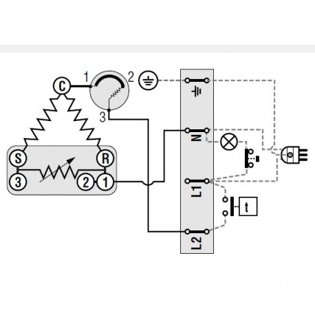
Schema elettrico per compressore EMT6144Z CSIR categoria 98 del marchio [product_brand]
Compressore ermetico EMT6144Z CSIR per applicazioni HVAC e refrigerazione industriale
Compressore ermetico EMT6144Z CSIR per applicazioni di refrigerazione industriale.
Compressore EMT6144Z CSIR per applicazioni HVAC e refrigerazione industriale.
Schema elettrico per compressore EMT6144Z CSIR categoria 98 del marchio [product_brand]
Compressore ermetico EMT6144Z CSIR per applicazioni HVAC e refrigerazione industriale

EMT6144Z CSIR

EMT6144Z
Nuovo
90,00 €

Compressore ermetico Embraco Aspera EMT6144Z CSIR

Compressore gas R134A ermetico - 1/5 Hp - 5,2 cm3 - Embraco Aspera EMT6144Z

 

- Compressore ermetico EMT6144Z Embraco aspera MHBP (MEDIA HIGH back pressure)

- Funzionamento con gas R134a

- Frequenza 200-220V/50Hz 

- Completo di piedini in gomma antivibranti

- Applicazioni: frigoriferi vetrine - banchi frigo - congelatori - freezer... con temperatura di funzionamento compresa tra +5°c e -20°c

Modello HP cm³ W-15 W-10 W-5 W 0 W+7 W in A in LRA H
EMT6144Z CSIR   1/5 5,20 219 278 352 435 570 214 1,25 8,5 166
Refrigerante
R134a
Hp
1/5
Voltaggio
200-220/50
Temperatura
TN
Nuovo
I nostri prodotti più venduti
Prodotto aggiunto ai preferiti