Compressore ermetico per refrigerazione NEK2150GK-A CSIR del marchio [product_brand]
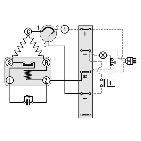
Schema elettrico per compressore NEK2150GK-A CSIR categoria 98.
Compressore ermetico NEK2150GK-A CSIR per applicazioni HVAC e refrigerazione industriale.
Compressore ermetico per refrigerazione NEK2150GK-A CSIR del marchio [product_brand]
Schema elettrico per compressore NEK2150GK-A CSIR categoria 98.
Compressore ermetico NEK2150GK-A CSIR per applicazioni HVAC e refrigerazione industriale.

NEK2150GK-A CSIR

NEK2150GK-A
Nuovo
117,00 €

Compressore ermetico Embraco Aspera NEK2150GK-A CSIR

Compressore gas R404A R507 ermetico - 5/8 Hp - 12,1 cm3 - Embraco Aspera NEK2150GK

 

- Compressore ermetico NEK2150GK Embraco aspera LBP (LOW back pressure)

- Funzionamento con gas R404a R507

- Frequenza 200-220V/50Hz 

- Completo di piedini in gomma antivibranti

- Completo di consensatore

- Applicazioni: frigoriferi vetrine - banchi frigo - congelatori - freezer... con temperatura di funzionamento compresa tra -5°c e -30°c

Modello HP cm³ W-35 W-30 W-23 W -20 W-15 W in A in LRA H
NEK2150GK-A CSIR  5/8 12,12 335 445 616 716 888 497 3,10 19,5 206
Refrigerante
R404A-R507
Hp
5/8
Voltaggio
200-220/50
Temperatura
BT
Nuovo
I nostri prodotti più venduti
Prodotto aggiunto ai preferiti