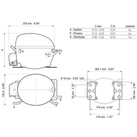
Compressore ermetico Aspera EMT2121GK CSIR per sistemi HVAC e refrigerazione industriale
Compressore ermetico Aspera EMT2121GK CSIR per sistemi di refrigerazione industriale
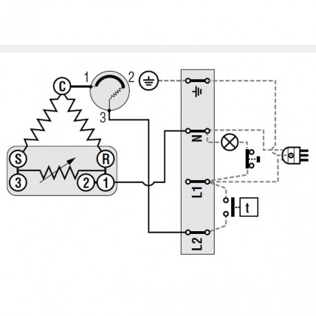
Schema elettrico per il compressore EMT2121GK CSIR, categoria 98.
Compressore Ermetico Aspera EMT2121GK CSIR
Compressore ermetico Aspera EMT2121GK CSIR per sistemi HVAC e refrigerazione industriale
Compressore ermetico Aspera EMT2121GK CSIR per sistemi di refrigerazione industriale
Schema elettrico per il compressore EMT2121GK CSIR, categoria 98.
Compressore Ermetico Aspera EMT2121GK CSIR

EMT2121GK CSIR

EMT2121GK
Nuovo
76,00 €

Compressore ermetico Embraco Aspera EMT2121GK CSIR

Compressore gas R404A R507 ermetico - 1/4P Hp - 5,2 cm3 - Embraco Aspera EMT2121GK

 

- Compressore ermetico EMT2121GK Embraco aspera LBP (LOW back pressure)

- Funzionamento con gas R404a R507

- Frequenza 200-220V/50Hz 

- Completo di piedini in gomma antivibranti

- Completo di condensatore

- Applicazioni: frigoriferi vetrine - banchi frigo - congelatori - freezer... con temperatura di funzionamento compresa tra -5°c e -30°c

Modello HP cm³ W-35 W-30 W-23 W -20 W-15 W in A in LRA H
EMT2121GK CSIR 1/4P 5,2 174 225 300 356 442 214 1,33 8,5 166
Refrigerante
R404A-R507
Hp
1/4
Voltaggio
200-220/50
Temperatura
BT
Nuovo
I nostri prodotti più venduti
Prodotto aggiunto ai preferiti